MOVIMIENTOS AUTOMÁTICOS Y CAJA DE AVANCES. ELEMENTOS Y ACCIONAMIENTOS DE MANIOBRA
En esta tarea vamos a abordar la caja de avances y el control sobre
el movimiento automático de los carros. Hablaremos del movimiento automático controlado y el rápido, así como de los diferentes elementos de maniobra y accionamientos para marcha/paro, cambio de sentido, activación de avances en uno u otro carro y la activación del avance rápido y el controlado. Primero hemos de saber que la fresadora
presenta un motor propio para la caja de avances, el cual recibe corriente de
la puesta en marcha general de la máquina, que es la misma también para la caja
de velocidades. El motor de la caja de avances presenta una potencia de 0,75 HP
y permite la opción de seleccionar dos tipos de avance:
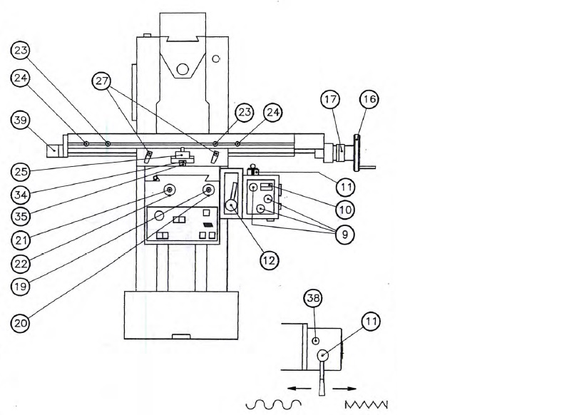
-Avance programado de trabajo o controlado automático:
presenta dos gamas de posiciones A y B, que pueden ser de tipo I y II, lo cual
nos da 8 posibles velocidades de avance: desde los 18 mm/min a los 550 mm/min.
Los 8 posibles valores de avance se seleccionan por medio de los pomos (9), los
cuales conseguiremos mediante las combinaciones de posiciones de éstos, de
acuerdo con la placa de avances (10). Una vez hemos seleccionado el valor de
avance acorde al trabajo que se va a realizar, transmitiremos éste al
movimiento longitudinal o transversal mediante la palanca (11). Esta palanca
presenta 3 posiciones: en la central tenemos el punto muerto; en la izquierda
(giro de palanca antihorario) la posición de embragado de trabajo; y en la
derecha la posición de embragado del avance rápido. La posición de avance
rápido es necesaria mantenerla forzada manualmente para que el embrague haga su función durante el
movimiento.
Mediante la palanca (12) seleccionamos si la transmisión del
movimiento automático es al carro longitudinal (palanca (12) en posición
derecha) o al transversal (palanca (12) posición izquierda). Esta palanca
también presenta una posición O de punto muerto. Mediante los pulsadores (13) y
(14) seleccionamos el sentido de avance longitudinal a izquierda o derecha,
respectivamente. Y también seleccionamos el avance transversal adelante (hacia
el operario) o atrás (hacia las guías verticales). Por último, tanto si
seleccionamos el avance transversal como el longitudinal, la parada se hace por
medio del pulsador (15) o colocando la palanca (11) en punto muerto.
En esta tarea vamos a abordar la caja de avances y el control sobre
el movimiento automático de los carros. Hablaremos del movimiento automático controlado y el rápido, así como de los diferentes elementos de maniobra y accionamientos para marcha/paro, cambio de sentido, activación de avances en uno u otro carro y la activación del avance rápido y el controlado. Primero hemos de saber que la fresadora
presenta un motor propio para la caja de avances, el cual recibe corriente de
la puesta en marcha general de la máquina, que es la misma también para la caja
de velocidades. El motor de la caja de avances presenta una potencia de 0,75 HP
y permite la opción de seleccionar dos tipos de avance:
-Avance programado de trabajo o controlado automático:
presenta dos gamas de posiciones A y B, que pueden ser de tipo I y II, lo cual
nos da 8 posibles velocidades de avance: desde los 18 mm/min a los 550 mm/min.
Los 8 posibles valores de avance se seleccionan por medio de los pomos (9), los
cuales conseguiremos mediante las combinaciones de posiciones de éstos, de
acuerdo con la placa de avances (10). Una vez hemos seleccionado el valor de
avance acorde al trabajo que se va a realizar, transmitiremos éste al
movimiento longitudinal o transversal mediante la palanca (11). Esta palanca
presenta 3 posiciones: en la central tenemos el punto muerto; en la izquierda
(giro de palanca antihorario) la posición de embragado de trabajo; y en la
derecha la posición de embragado del avance rápido. La posición de avance
rápido es necesaria mantenerla forzada manualmente para que el embrague haga su función durante el
movimiento.
Mediante la palanca (12) seleccionamos si la transmisión del
movimiento automático es al carro longitudinal (palanca (12) en posición
derecha) o al transversal (palanca (12) posición izquierda). Esta palanca
también presenta una posición O de punto muerto. Mediante los pulsadores (13) y
(14) seleccionamos el sentido de avance longitudinal a izquierda o derecha,
respectivamente. Y también seleccionamos el avance transversal adelante (hacia
el operario) o atrás (hacia las guías verticales). Por último, tanto si
seleccionamos el avance transversal como el longitudinal, la parada se hace por
medio del pulsador (15) o colocando la palanca (11) en punto muerto.
Ejemplo práctico de selección de velocidad de avance: "Selecciona el valor de avance (145
mm/min)." Se encuentra en la primera gama AB (la de arriba) y habría que
seleccionar la posición B-I de este bloque superior de velocidades.
-Avance rápido ("RAPID"): tanto para el carro longitudinal como para
el transversal podemos seleccionar una opción de avance rápido de velocidad 800
mm/min. La funcionalidad de este avance puede ser la de aproximar más
rápidamente la pieza a la herramienta o, justo lo contrario, alejarla para
efectuar más cómodamente alguna labor de ajuste, cambio de herramienta, toma de
medidas en la pieza o cualquier otra labor auxiliar de trabajo o de
comprobación. En definitiva, permite agilizar movimientos que no sean de
trabajo de corte, en los cuales la velocidad no tiene ninguna relevancia.
Nivel de aceite y tornillo de cierre para la extracción del aceite (más abajo).
Ruedas selectoras de velocidad de caja de avances.
Por último, mencionar que la máquina está dotada en el eje
de salida de la caja de avances de un mecanismo de seguridad o limitador de par. La finalidad de
éste es la protección contra posibles sobrecargas que pudieran producirse y, en
consecuencia, evitar las averías que se pudiesen dar. El acceso a este
dispositivo se efectúa desenroscando el tapón (38).
TOPES MECÁNICOS Y FINALES DE CARRERA
La fresadora, topes mecánicos como tal, no posee. Manualmente
podemos llevar los carros de la máquina más allá de los valores de recorridos
máximos, lo cual presenta riesgos de seguridad y compromete la integridad de ciertos componente
de la máquina, como explicaremos en el vídeo adjunto a continuación.
Por el contrario, con el movimiento automático, la longitud o
carrera del desplazamiento del conjunto carros-mesa, puede ser regulada por
medio de los topes móviles (23) (negros), siempre dentro de los valores máximos
de cada recorrido. Destensando por medio de una llave hexagonal acodada de 5 mm,
podremos posicionar los topes en el lugar apropiado a la regulación deseada, no
olvidando tensarlos de nuevo después. (24) se corresponde con los topes fijos
(rojos), que no son regulables y van roscados a la propia guía; y (25) y (26) se
corresponden con los finales de carrera ("pulsador") longitudinal y
transversal, respectivamente. Tanto los topes fijos como los finales de carrera
no se deben retirar de su posición ni modificar, pues de lo contrario podrían
producirse graves averías en determinados órganos de accionamiento debido a la
colisión de partes móviles de la máquina con partes fijas. Como hemos
mencionado arriba, manualmente ni con finales de carrera ni los topes fijos
conseguimos prevenir esta situación, por eso resultaría interesante estudiar la
incorporación de algún tipo de tope mecánico extraíble, que limite el movimiento
manual de los carros.
Nivel de aceite y tornillo de cierre para la extracción del aceite (más abajo).
Ruedas selectoras de velocidad de caja de avances.
El siguiente vídeo muestra algunas de las complicaciones con las que nos hemos encontrado al montar de nuevo la tapa de la caja de avances con una junta incorporada, que nos impedirá que los pasadores coincidan por el agujero de cada maneta y se puedan incorporar las ruedas:










